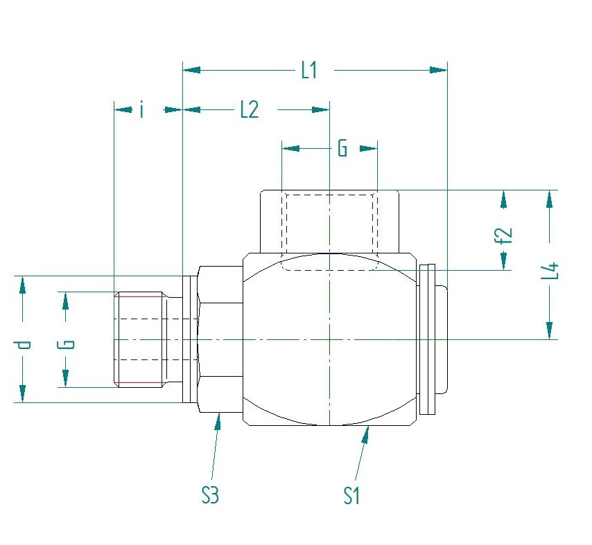
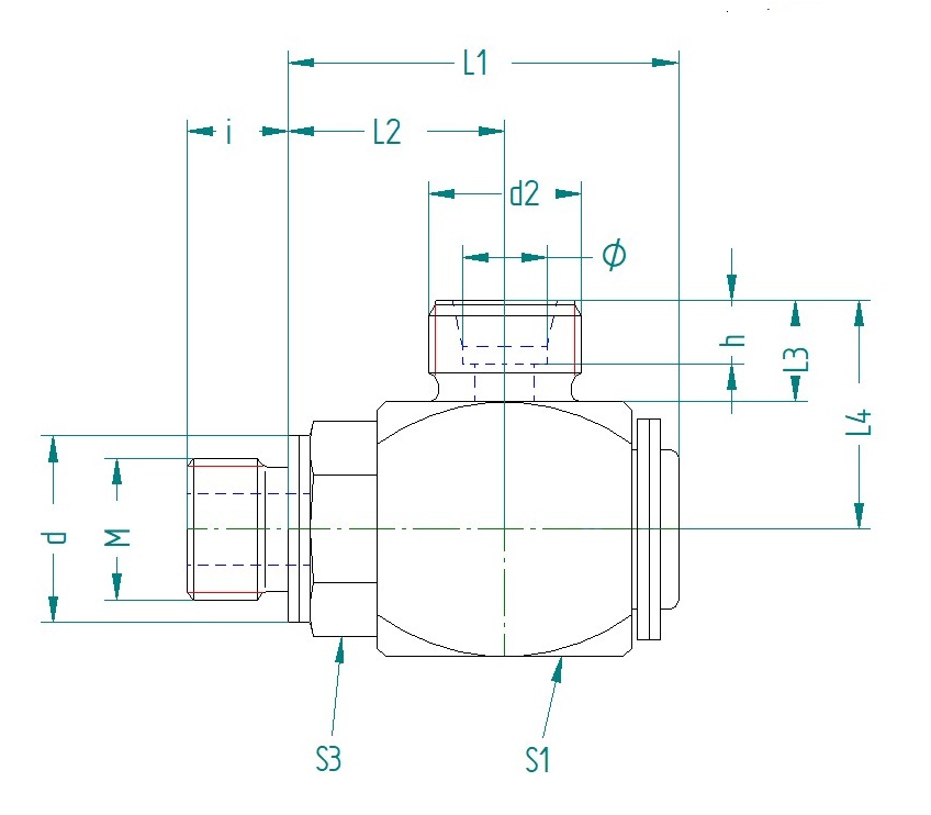
Gleitlager Drehdurchführung VA
81V
Anwendung: Anschluss von druckführenden Schlauchleitungen zum Ausgleich von Dreh- und Schwenkbewegungen, zwischen Schlauch und Maschinenteilen.
Die Lebensdauer hängt neben den Betriebsbedingungen (Druck und Drehzahl) wesentlich vom spannungsfreien Einbau der Drehverschraubung ab. Deshalb ist der Direktanschluss von Rohrleitungen zu vermeiden. Empfohlen wird die Zwischenschaltung von Schläuchen mit einer Länge von ca. 5 x Schlauchaußendurchmesser zwischen den Schlauchfassungen. Seitliche Verspannungskräfte müssen unbedingt ver...
